24小時聯系電話:18217114652、13661815404
中文
技術專題
不斷發展的DC-DC轉換器
DC-DC轉換器是現代電子電源的核心。它提供了從一個電壓電平到多個其他電壓電平的轉換。dc-dc轉換器既可以作為您自己設計的核心IC,又可以作為模塊和積木使用(請參閱本文末尾的“積木是什么?”)。后兩種類型通過提供可以集成到較大電源的產品來消除大量的原始設計。
多年來,dc-dc轉換器已成為設置和維持工作電壓并提高效率同時增加功率密度的主要組件。古老設備的摘要更新說明了它如何進行更改以滿足多種驅動因素。
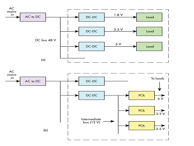
當今的電源系統使用兩種主要類型的體系結構:分布式體系結構和中間總線體系結構。圖1a示出了分布式布置。傳統的AC-DC電源會生成一條主DC總線,該總線已分配到設備的所有部分。IC和其他設備所需的DC電壓由負載點(POL)DC-DC轉換器/調節器產生。

示出了分布式總線架構(a)和中間總線架構(b)。
中間總線布置如圖1b所示。交流電源的主直流配電總線連接到每個主要子系統或產生中間總線的印刷電路板(PCB)中的DC-DC轉換器。從那里,POL DC-DC轉換器接管,為負載創建單獨的電源電壓。
趨勢與目標
dc-dc轉換器規格和功能有幾個主要驅動因素。這些驅動因素是當今影響電源設計的趨勢:
較低的電源電壓:大型MPU,FPGA和ASIC越來越多地采用了極低的內核電源電壓。電壓范圍為0.6至1.8V。與此同時,從這些器件汲取的電流已從數十安培急劇增加到數百安培。一些新設備在1 V或更低的電壓下工作,而消耗的電流超過500A。
更高的效率:減少能耗和降低熱量水平的努力已將效率推到了優先事項的首位。
過渡到48 V:電源總線電壓通常為12 V,但已使用5、24、28和36 V總線。一個主要趨勢是在48 V上實現標準化。這種更高的電壓具有多項優勢,包括提高效率和減少I 2 R損耗。較高的電壓會降低相同功率水平下的電流。結果是功耗降低了16倍。許多新產品和系統正在過渡到48 V,例如電動工具,工業設備(例如機器人)和叉車。數據中心是48V系統的主要采用者。而且,當然,汽車正在逐漸向48V系統過渡,以補充現有的12V系統。
增加的功率密度:所有設計人員似乎都希望在更小的封裝中實現上述功能。但是,很難實現功率密度的提高。一種常見的方法是使用較高的開關頻率,以減小電感器和電容器的尺寸。將所有這些組件和模塊放在較小的空間中會產生散熱問題。巧妙的機械包裝可以很大程度地減少此問題。
提高可靠性:應該實現所有這些目標,但是保持或提高設備的可靠性是設計人員面臨的另一個關鍵挑戰。
當前電源設計的一個很好的例子是云存儲和計算業務的快速且巨大的增長。這導致主要參與者(Amazon,IBM,Microsoft等)的數據中心添加了更多機架服務器。這一增長增加了數千臺新服務器,在某些情況下還增加了一百萬臺服務器。
由于能耗很高,因此還需要降低電氣服務成本,以降低數據中心的熱量水平并降低空調成本。更高的效率將有助于控制能源成本,而較小的包裝則可為數據中心提供更多空間以供將來擴展。
其他一些趨勢和目標是:
增加使用GaN晶體管等寬帶隙器件來提高效率。
通過更多3D設計改進了包裝。
越來越多地使用功率因數校正(PFC)。
降低空載功耗。
越來越多地使用電源管理。
能源管理
電源管理是指使用DC-DC轉換器的數字控制來優化產品或系統中的電源傳輸并提供保護。電源管理IC或子系統調節,控制和分配產品電源。一些電源管理芯片包括兩個或多個dc-dc轉換器,也許還包括一些LDO。轉換器還可以包括用于在更高的電壓和/或更高的電流下使用外部MOSFET功率器件的驅動器。
另一個功能是電源監視和控制電路。這些電路可測量和數字化輸入和輸出電壓,電流以及內部和外部溫度。其他控件可能涉及設置來自外部電源的輸出電壓的能力。過壓和過流檢測提供信號以關閉設備,以防止損壞。
大多數電源管理IC都包含一個PMBus通信端口,以提供外部編程以及監視和控制功能。PMBus是流行的I 2 C串行接口的變體。
一些使用最廣泛的電源管理芯片是用于監視狀態并提供反饋的手機中的那些芯片。這樣的芯片還包括電池充電器和其他電池相關的電路。
特殊用途的DC-DC轉換器
DC-DC轉換器可實現各種應用,幾乎是當今生產的每種電子產品內部都有一個或多個它們。但是,它們出現在一些非常不尋常的產品,設備和系統中。
這些特殊情況之一就是用于種植珊瑚的系統。研究人員創建了一個系統,其中在將兩個電極浸入海水中的同時在兩個電極之間施加精確的1.2至4 V直流電壓,從而導致碳酸鈣(石灰石)的生長。這種石灰石支持珊瑚的生長并加快了進程。
大型系統可以部署在珊瑚全部或部分枯竭的近海區域。這種用于海上部署的大規模系統需要重型,高輸出DC-DC轉換器。在太陽,風或波浪作用的驅動下,DC-DC轉換器會將高電流饋入海水中以產生石灰石。

