24小時聯系電話:18217114652、13661815404
中文
行業資訊
-
環形振蕩器終極指南
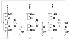
環形振蕩器是非常通用的電路,在行業中有多種應用。第一個主要應用是鎖相環 (PLL),其中環形振蕩器通常用作主壓控振蕩器 (VCO)。鎖相環是數字系統中的關鍵組件,適用于信號解調、時鐘恢復和倍頻器。環形振蕩器也廣泛應用于測試,包括驗證制造效果和新技術。此外,這種振蕩器的固有抖動可用于生成隨機數序列。最后,環形振蕩器可用作溫度傳感器,因為頻率會隨芯片溫度發生顯著變化。
- 查看詳細

-
大電流電路板設計入門
以高電流或高電壓運行的系統面臨著一系列獨特的挑戰,這些挑戰在小型數字系統中是看不到的。操作員可能會暴露在不安全的條件下,設計可能會因熱量或靜電放電而失敗。但是,正確的PCB設計決策有助于降低與電力電子設備交互的風險
- 查看詳細

-
您的項目是否需要柔性PCB?
柔性PCB技術不斷發展,應用在汽車行業、消費品、醫療設備、可穿戴設備、電信和航空航天領域。柔性PCB的引入徹底改變了我們在將同一電路的多個部分連接在一起或將多個電子設備連接為一體時使用的互連技術。與使用剛性PCB構建的同等設備相比,柔性PCB可顯著減少空間、重量和成本。由于連接的靈活性、緊湊性以及可以在如此小的占地面積內實現的高密度電氣連接,柔性PCB在許多行業中的應用越來越廣泛。
- 查看詳細

-
電路板開發中電子元件短缺的最佳防御措施
組件短缺令人沮喪。它們可能具有破壞性、成本高昂,甚至可能完全破壞您的設計。意外的組件短缺可能會令人惱火,但計劃內和計劃外的短缺都是 ECM 行業的一部分。通過合適的ECM 合作伙伴,您可以減輕電子元件短缺的影響,并確保它們不會使您的項目脫軌。
- 查看詳細



